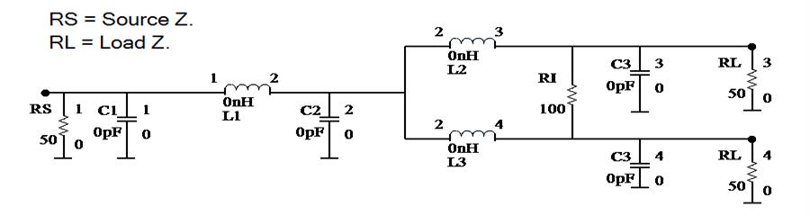
Lumped Splitter

A very simple in-phase splitter based upon the Wilkinson design but with all the lines replaced byn the LC equivalent. If the node resistance is equal to 2 x the source Resistance then the entry line is ignored. The ultimate in compact designs either discrete or printed.

Designs AS IS. No responsiblity taken for accuracy of results.

A Lumped Component Splitter

Lumped Diagram

Note:

This is a rendering of the classical Wilkinson with lumped transmission line equivalents.

Both loads are the same with equal power split.

To eliminate the entry components: Choose the sum point Z = 2 x Zsource.